您好,欢迎您进入西安安泰测试设备有限公司官方网站!
OE4003电压放大器

OE4003电压放大器

OE4003 超低噪声前置放大器,2 nV/Hz输入噪声。10,20,50,100倍增益,10kΩ输入阻抗,单端或差分输入

厂商名称:泰克/TEKTRONIX

产品型号:OE4003

市场价格:¥ (仅供参考)

货期:现货

  • 详细说明
  • 产品手册

OE4003 超低噪声前置放大器

2 nV/√Hz输入噪声

10,20,50,100倍增益

10kΩ输入阻抗

单端或差分输入

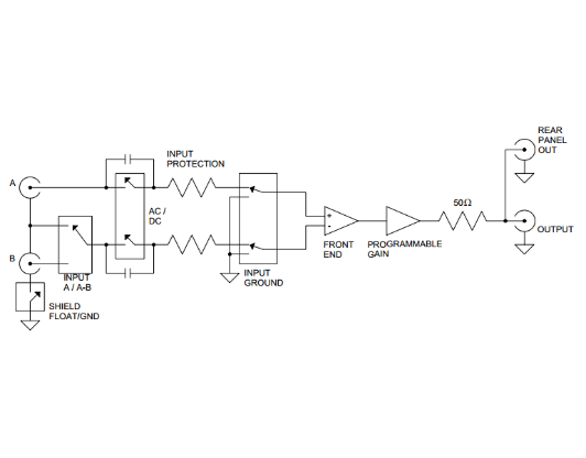
原理框图

OE4003电压放大器(图1)

输出

A                                                             单端输出

B                                                             屏蔽地

最大输出电压                                                  7Vrms

电源要求                                                     12V DC



技术支持

客服
热线

18165377573
7*24小时客服服务热线

关注
微信

关注官方微信

获取
报价

顶部