罗德与施瓦茨示波器高级眼图中的实时去嵌应用
高速眼图测试中的去嵌问题
在高速数字通信系统中,信号的完整性和质量是至关重要的。为了确保数据传输的准确性和可靠性,工程师们经常需要借助各种测试工具和技术来分析和评估信号质量。其中,高速信号眼图测试就是一种非常有效和常用的方法。
“眼图”是一种通过示波器显示的高速数字信号的时域波形图,它得名于其形状类似于人眼的开口。眼图能够直观地展示数字信号的多个关键参数,如幅度、时间间隔、抖动、噪声等,从而帮助工程师快速判断信号质量的好坏。
高速信号眼图测试的基本原理是,通过示波器捕捉并显示高速数字信号在一段时间内的波形。示波器的高采样率和宽带宽能够确保捕捉到信号中的高频成分和快速变化。在眼图上,每个数字比特都对应一个“眼睛”的张开和闭合。如果信号质量良好,眼图的“眼睛”会张开得比较大,且形状规则;反之,如果信号受到噪声、抖动或失真等因素的影响,眼图的“眼睛”会变小、变形甚至闭合。 眼图测试的优点在于它能够提供丰富的信息,帮助工程师全面了解信号的质量与性能。例如,通过眼图可以观察到信号的幅度是否稳定、时间间隔是否均匀、是否存在抖动或漂移等问题。此外,眼图还可以用于评估信号的噪声容限和误码率等关键指标。去嵌/去嵌入(De-embedding)技术是微波测量的重要技术之一,主要目的是消除寄生元件、部件对实际被测器件(DUT)的影响。为了确保测量值为实际被测器件的本身特性,必须进行去嵌(De-embedding)。 高速测试系统中用到的夹具/线缆/连接器等都会对测试数据造成影响,测试值永远不等于真实值。为了最大限度的减少测试值与真实值之间的差别,可以使用示波器的去嵌及实时去嵌功能,以消除夹具/线缆/连接器等对真实信号造成的影响。 以USB3.2高速串行差分信号测试为例,USB3.2 Gen1速率5Gbps、USB3.2 Gen2速率高达10Gbps,测试时需要使用到SMA线缆、adapter及测试夹具,尽量无损的传输5Gbps或10Gbps的高速串行差分信号。当信号速率非常高,且指标要求非常严格,则夹具/线缆/连接器等的使用就会给信号测量带来非常明显的影响。测试就需要通过去嵌(De-embedding)的方法来消除夹具/线缆/连接器等对信号造成的影响。
使用R&S示波器的实时眼图
1、去嵌(De-embedding)之前,需要提前获取夹具/线缆/连接器等的S参数
获得夹具/线缆/连接器等的S参数,可以通过R&S的矢量网络分析仪VNA(eg:ZNA/ZNB/ZND等)测试直接得到,相应的文件格式为s2p/s4p。

图1 使用R&S的ZNB20矢量网络分析仪测试“SMA线缆(ZA17)”及“SMA线缆+6dB衰减器”(图中红框部分)的S参数(两根SMA线缆长度不同,造成差分信号正负级延迟不同;且连接了6dB衰减器,使得差分信号的幅度有50%的衰减)

图2 矢网测试得到的s2p文件, 其中:“SMA线缆(ZA17)”的s2p文件为:ZA17_s2p.s2p
“SMA线缆+6dB衰减器”的s2p文件为:ATT_cable_s2p.s2p
2、利用示波器中的实时去嵌功能实现对夹具/线缆/连接器等进行去嵌(De-embedding)
将夹具/线缆/连接器等的S参数文件导入到R&S RTP示波器中,以实现对夹具/线缆/连接器等的实时去嵌。

图3 R&S RTP示波器去嵌界面

图4 R&S RTP示波器去嵌,参数配置界面(2根单端信号转差分信号)设置了“线缆”和“连接器(ZA16)”两个去嵌
R&S RTP示波器实时去嵌(Realtime De-embedding)示例
本示例为对上图1所示的“SMA线缆(ZA17)”及“SMA线缆+6dB衰减器”在USB3.2Gen1眼图测试中进行去嵌。

图5 USB3.2Gen1眼图测试连接示意图

图6 USB3.2Gen1眼图测试实测连接图
Step1:
首先,分别连接USB3.2Gen1的差分正负信号,其中正端使用“SMA线缆(ZA17)”连接示波器端口1和USB3.0夹具“+端”,负端使用“SMA线缆+6dB衰减器”连接示波器端口3和USB3.0夹具“-端”。因为±端口有6dB的衰减,且两根SMA线缆长度不同,造成USB3.2Gen1的差分信号正负级幅度有一倍的差别,且有一个明显的延迟。差分信号的±端实测结果如下图所示:

图7 USB3.2Gen1差分正负信号(因C3负端接了一个6dB衰减器,故其幅度仅为C1正端一半。C1与C3 SMA线缆长度不一致,造成C1与C3之间有一个明显的延迟)
Step2:
使用R&S RTP示波器的硬件“单端转差分”功能,把单端信号实时转换为差分信号。测试结果如下图所示:

图8 RTP硬件“单端转差分”(因C1与C3幅度差别较大,造成差模/共模信号质量都较差)
Step3:
使用R&S RTP示波器的“高级眼图分析”功能生成经过这两段线缆的USB3.2Gen1信号的眼图,并测量眼宽/眼高等参数。其结果如下图所示:

图9 RTP“高级眼图分析”生成眼图(眼图质量较差)
Step4:
分别在上述3组测试中开启“实时去嵌”功能。将这两根SMA线缆(含衰减器)的S参数导入RTP示波器的“去嵌功能”中,对这两根SMA线缆分别进行实时去嵌。

图10 USB3.2Gen1差分正负信号(去嵌后,正负端幅度/延迟影响都已去除)

图11 RTP硬件“单端转差分”(去嵌后,差模/共模信号质量较好)

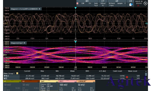
图12 RTP“高级眼图分析”生成眼图(去嵌后,眼图质量较好)
上图中的眼图为通过线缆的S参数对两根SMA线缆实时去嵌后的结果(通过去嵌将SMA线缆及衰减器等的影响消除掉)。可见去嵌后的眼图张开明显,眼宽、眼高的测量值都得到较大的提升。
结语
本文介绍了高速串行信号测试中对夹具/线缆/连接器等进行去嵌的必要性和在R&S RTP示波器上进行实时去嵌的方法。并以实际测量验证了通过R&S矢量网络分析仪ZNB测量S参数,以及通过R&S RTP示波器对夹具/线缆/连接器等进行去嵌前后的对比结果。
技术支持















关注官方微信
