利用罗德与施瓦茨示波器RTO6系列和VSE软件进行脉冲分析
脉冲雷达,是一种常用的测距和目标识别雷达,广泛应用于航空航天、警戒系统、气象预测等多个领域。通过在发送端发送窄脉冲,以及接收端收到的被目标反射回的信号,来进行测距与定位。
在雷达研发和测试工作中,工程师往往需要对发送的脉冲参数进行验证,常见的参数例如:脉内功率、脉冲重复间隔、脉冲上升时间、脉宽等。此时,频谱仪经常是工程师使用的首选仪表,通过简单的设置,具备脉冲分析功能的仪表可以自动完成这些参数的测试,提供了很大的便利。

图1 脉冲的主要参数定义及示意图
示波器
传统来说属于时域测量的常用仪表。而近些年来,随着仪表功能“多合一”概念和技术的发展,示波器也逐渐拓宽了应用领域,具备了更多的分析功能。例如,本文通过R&S RTO6系列示波器采集信号结合R&S VSE-K6脉冲分析选件和R&S VSE-K6A多通道脉冲分析选件,来介绍基于示波器如何测量脉冲信号,同时由于示波器往往具备多端口输入能力,所以甚至可以用于分析多通道脉冲信号。
备注说明:R&S VSE(Vector Signal Explorer)软件,可安装于示波器或个人电脑PC,只要具备对应的选件功能licence,可以控制前端采集设备(例如示波器或频谱仪)采集被测信号,在VSE软件中进行分析,得出测量结果。本实验为了简化连接,直接将VSE软件直接安装于RTO6示波器来进行测试。
测试场景一
• 单通道脉冲分析

图2 单通道测试框图
单通道信号源SMW200A输出2.4GHz脉冲调制波形,同轴线输出连接到RTO6示波器进行接收。此时,在示波器RTO6可以看到发送的脉冲波形如图3。可以看到,该信号的重复周期约10us,脉宽约2us。

图3 示波器基本功能查看信号
在示波器的Apps菜单启动VSE选件,选择脉冲分析选项,主要设置参数如图5:频率2.4GHz,测量带宽100MHz,测量时间50us等。界面设置类似于频谱仪,参数设置可灵活修改。然后运行测试,可以得到图6的分析结果。观察图6的结果中,可以看到脉冲包络信号的功率,以及在右上方的测量结果统计表中,显示出详细的脉冲上升时间(Rise Time)、脉宽(Pulse Width)、重复间隔(PRI)等。

图4 启动VSE软件

图5 VSE 脉冲分析设置界面

图6 VSE脉冲分析结果
测试场景二
• 双通道脉冲分析
图7 双通道测试框图
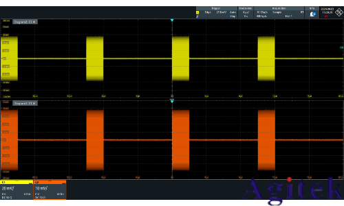
如图7所示,单通道信号源SMW200A输出2.4GHz脉冲信号,经过功分器分为两路分别接入示波器RTO6的通道1和通道3。同时,通道3故意采用很长的线缆,以此来近似模拟多通道脉冲输入效果。从图8的示波器显示可以看出,由于通道3的线缆较长不仅影响了延迟(相位),同时也带来了损耗(此处,通道1为20mV/div,通道3为10mV/div)。调整示波器看脉冲局部,如图9,可看到通道3信号比通道1有明显延迟。

图8 示波器基本功能查看信号

图9 查看脉冲局部波形
操作步骤与测试场景一雷同,启动VSE软件,并更改设置分析通道为通道1和通道3。点击运行,可得到结果如图10所示。在脉冲幅度栏中,可看到通道3的信号功率比通道1的信号功率小约3dB,与示波器界面看到的波形吻合。右上的测试结果表里可以显示出所有输入通道中的每一个脉冲的测量信息,包括脉宽,PRI,相位信息等,可根据需要增减测量项目。

图10 VSE双通道脉冲分析结果
总结:
示波器作为工程师最常使用的仪表之一,除了传统的电压、时序测试,已经发展为可集成众多射频信号分析功能。本文介绍的VSE软件脉冲分析即是其中一种,由于示波器本身具备多通道输入,还可同时分析多路脉冲信号,拓展了应用范围。
技术支持















关注官方微信
