用网络分析仪测量DC-DC转换器的反馈环路特征
DC-DC转换器作为现代电子系统中不可或缺的电源模块,其稳定性与动态响应性能直接影响整个系统的可靠性。而反馈环路的设计与验证,是确保DC-DC转换器在各种负载和输入条件下稳定工作的关键环节。本文将系统阐述如何利用网络分析仪对DC-DC转换器的反馈环路特征进行精确测量,涵盖基本原理、测量方法、配置示例及实际操作中的关键注意事项。

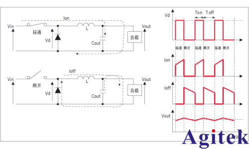
图 1. DC-DC 转换器的基本工作原理
在深入测量方法之前,需理解DC-DC转换器的基本工作原理。以典型的降压型(Buck)转换器为例,其通过MOSFET开关将输入电压斩波为脉冲信号,再经由LC滤波器平滑为稳定的直流输出电压。反馈环路通过电阻分压网络采样输出电压,并与参考电压(Vref)进行比较,误差放大器根据偏差调整脉宽调制器(PWM)的占空比,从而实现闭环控制。这一系统可建模为负反馈控制系统,其稳定性由环路增益(GH)的频率响应决定。

图 2. DC-DC 转换器原理图示例
环路增益是衡量反馈系统性能的核心指标,定义为开环传递函数G与反馈系数H的乘积。当环路增益|GH|=1(即0 dB)时的频率称为交叉频率,决定了系统的带宽;而在此频率处,相位与-180°的差值即为相位裕量,是评估系统稳定性的关键参数。一般要求相位裕量在45°以上,以避免因相位延迟累积至-360°而引发振荡。此外,增益裕量(即相位为0°时增益与0 dB的差值)同样重要,二者共同构成了环路稳定性判据。

图 3. 负反馈环路控制系统
使用网络分析仪测量环路增益,本质上是通过注入小信号扰动,测量闭环系统中某点的响应比值。具体方法是在反馈路径中(通常在分压电阻之前)串联一个由变压器和电阻组成的浮置激励施加电路,向环路注入交流信号。网络分析仪的接收机端口R和T分别连接在注入点两侧,测量其电压比值T/R,即可得到循环传递函数–GH的幅频与相频特性。
图 4. 负反馈控制系统的环路增益测量方法
以E5061B-3L5 LF-RF网络分析仪为例,其增益相位测试端口支持5 Hz至30 MHz频率范围,具备1 MΩ高阻输入模式,非常适合此类测量。实际配置中,需选择合适的注入变压器(如Picotest J2100A或自制脉冲变压器),并串联一个阻值远小于输入阻抗Zin但远大于输出阻抗Zout的电阻R(通常为20–100 Ω),以满足Zin >> R >> Zout的条件,确保注入信号不影响原环路工作点。
测量过程中,激励信号的功率设置尤为关键。若信号过强,会驱动环路进入非线性区,导致测量失真;若过弱,则在低频段因环路增益高而信噪比不足。推荐采用分段扫描策略:在低频段(如100 Hz–1 kHz)设置较高功率(如-10 dBm至-20 dBm),随频率升高逐步降低功率(如至-35 dBm),以在整个频段内保持良好的信噪比与线性度。同时,应使用同轴电缆直接连接测试点,避免使用10:1无源探头,以防地环路干扰影响浮置测量的准确性。

校准是保证测量精度的前提。可将R与T端口的探头短接于注入点(TP1),执行直通响应校准,消除电缆与连接器带来的幅相误差。测量结果中,若在截止频率附近出现尖峰,通常源于转换器自身的开关噪声,属正常现象。通过游标读取交叉频率处的相位值,即可获得相位裕量,进而判断环路是否具备足够的稳定裕度。
综上所述,利用网络分析仪对DC-DC转换器反馈环路进行频域测量,是验证控制环路设计有效性、优化补偿网络参数的重要手段。通过合理配置测量系统、精细调节激励电平并正确解读数据,工程师能够精准评估电源系统的动态性能,确保其在复杂工况下稳定可靠运行。
技术支持












关注官方微信
