使用矢量网络分析仪的阻抗测试方法
使用网络分析仪进行阻抗测量的方法有3种:

1.反射法:
反射法测量被测件的反射系数(Γx)。 反射系数Γx与阻抗的关系如下:
Γx=(Zx-Zo)/(Zx + Zo)
其中,Zo 是测量电路的特征阻抗(50Ω),Zx 是 DUT 阻抗。根据公式,测得的反射系数跟随阻抗(Zx)变化在–1至1之间变化。在 Zx 等于 Zo 时可获得最高的精度。阻抗越高,反射系数曲线的斜率就越慢,从而导致阻抗测量精度下降。阻抗通过以下公式计算:
Z = 50 x((1 + S11)/(1-S11))
反射法的阻抗测量范围通常为 2Ω 至 1.5 kΩ(取决于所需的精度和测量频率)。

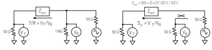
2.串联直通法:
串联直通法通过将 DUT 连接成“串联传输”来测量阻抗。串联直通在测量高阻抗值时最有效:10%的精度范围约为 5Ω 至 20 kΩ或比反射法高大约十倍。阻抗通过以下公式计算:
Z =(50 x 2)x((1-S21)/ S21)

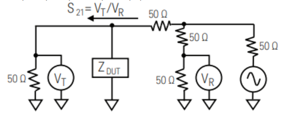
3.并联直通法:
并联直通法通过将 DUT 连接成“并联传输”来测量阻抗。这是测试低阻抗值的好方法,通常用于在毫欧范围内进行测量(如电源完整性应用)。 10%的准确度范围为 1 mΩ 至 10 Ω,低于典型的阻抗分析仪可以达到的范围。阻抗通过以下公式计算:
Z =(50/2)x(S21 /(1-S21))

E5061B网络分析仪有增益相位测试端口和S参数测试端口,都可以测试阻抗。
技术支持












关注官方微信
